首 页
走进隆迪
开 关
新闻中心
企业荣誉
战略合作
社会责任
联系我们
首 页
走进隆迪
公司简介
公司环境
企业文化
企业活动
电器开关
微动开关
辅助开关
解决方案
开关知识
应用场景
下载中心
新闻中心
企业新闻
行业新闻
企业荣誉
企业荣誉
战略合作
战略合作
社会责任
爱心助学
兴办书院
灾难援助
联系我们
联系方式
导航
Language
English
Русский
中文
首页
走进隆迪
公司简介
公司环境
企业文化
企业活动
开关
微动开关
辅助开关
解决方案
开关知识
应用场景
下载中心
新闻中心
企业新闻
行业新闻
企业荣誉
战略合作
社会责任
爱心助学
兴办书院
灾难援助
联系我们
联系方式
产品中心
您现在的位置:
首页
>
电器开关
>
>
微动开关-LXE系列
微动开关-LXE系列
LXE 系列限位开关采用加固设计,有较高的抗破坏能力,触点采用快速分合设计,即使用于驱动速度较慢的限位装置和机械检测等场合,也能保证较高的载荷能力。
LXE 系列限位开关采用自洁型的触点设计,能有效防护环境中的灰尘、潮气和污染物,使开关具有很高的可靠性和灵敏度。结合紧凑的设计,以及多种安装方式,非常适合用于在自动化控制、连锁等低电压和电流信号的控制。
LXE 系列限位开关内部电连接件表面全部电镀纯银,具有接通可靠、载流能力强等特点。
在线咨询
产品简介
开关型号
应用设备
环境条件
参数
工作原理
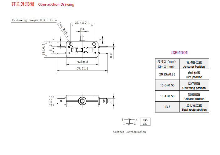
开关外形图
开关结构
接线方式
产品简介
LXE 系列限位开关采用加固设计,有较高的抗破坏能力,触点采用快速分合设计,即使用于驱动速度较慢的限位装置和机械检测等场合,也能保证较高的载荷能力。
LXE 系列限位开关采用自洁型的触点设计,能有效防护环境中的灰尘、潮气和污染物,使开关具有很高的可靠性和灵敏度。结合紧凑的设计,以及多种安装方式,非常适合用于在自动化控制、连锁等低电压和电流信号的控制。
LXE 系列限位开关内部电连接件表面全部电镀纯银,具有接通可靠、载流能力强等特点。
开关选型
LXE-1101
应用设备
接触器
环境条件
1.周围环境温度:-55℃~+85℃;
2.海拔:不超过 5000 米;
3.湿度:在 24h 内平均相对湿度不超过 95%;水蒸气平均压力不超过
2.2KPa;月平均相对湿度不超过 90%;水蒸气平均压力不超过 1.8KPa;
4.振动加速度不大于 15m/s
2
;
5.周围空气没有明显受尘埃、烟、腐蚀性和可燃性气体污染。
参数
工作原理
开关外形图
开关结构
按钮、滚轮、杠杆
接线方式
插接、压接
返回列表
相关产品
Related products
微动开关-LXH系列
微动开关-LXF系列
微动开关-LXC防水系列
微动开关-S10X系列
微动开关-CWA系列
微动开关-S100系列
微动开关-LXC系列
微动开关-LXA系列
Copyright © 2025 沈阳隆迪电器设备有限公司 版权所有
辽ICP备2021005969号-1
走进隆迪
公司简介
公司环境
企业文化
企业活动
开关
微动开关
辅助开关
解决方案
开关知识
应用场景
下载中心
新闻中心
企业新闻
行业新闻
企业荣誉
战略合作
社会责任
爱心助学
兴办书院
灾难援助
联系我们
隆迪公众号
隆迪抖音